Автономное отопление
Монтаж отопления
Автоматика для управления системой отопления Проблемы рационального использования тепла в холодное время года актуальна не только для частных домов, но
Отопление дачи
Стоимость тарифов на тепло и горячее водоснабжение является «неподъемной» для большинства наших соотечественников. И дело не только в желании коммунальщиков
Автономное отопление
Не знаете, как установить котел в доме, чтобы было тепло и недорого? Сомневаетесь, какой компании доверить организацию отопительной системы под ключ?
Монтаж отопления
Отопление: Искусственное нагревание помещения в холодный период года для компенсации тепловых потерь и поддержания нормируемой температуры со средней необеспеченностью 50 ч/год.
Автономное отопление
Проведем тепло для частного дома от любых видов источника теплоносителя. Рост цен на энергоносители вынуждает хозяев частных домов задумываться над лучшими
Автономное отопление
Самотечная система отопления частного дома. При строительстве небольших домов, достаточно часто, в проектах изначально закладывают самотечную систему отопления.
Автономное отопление
Насущным вопросом для владельцев загородных строений, дач, является вопрос лучшего отопления для частного дома. Зачастую тяжело определиться с вариантом
Автономное отопление
Рабочий объем теплоносителя в отопительной сети может уменьшиться из-за ряда причин – утечки, испарения, сброса пара через автоматический клапан, выполнения
Водяное отопление
Система напольного обогрева – самый комфортный и экономичный вариант отопления частного дома. Обратная сторона медали – приличная цена комплектующих и
Автономное отопление
В случае отключения электричества циркуляционный насос останавливается, течение воды по трубам отопительной сети частного дома прекращается.
Автономное отопление
Выбор способа обогрева зависит от финансовых возможностей домовладельца. Горожан с достатком выше среднего больше интересуют современные системы отопления
Отопление для частных домов
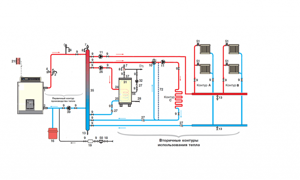
К вопросу из чего состоит система отопления, ответ простой, читайте в нашей статье. Система отопления состоит из компонентов. Наиболее важные такие.
Автономное отопление
Что представляет собой отопление дома, это набор элементов для автономной бесперебойной работы системы отопления. До строительства дома любые коммуникации
Автономное отопление
Диаметры в петле Тихельмана выбираются так же, как и в двухтрубной тупиковой системе отопления. Там где расход больше, там и больше диаметр.
Монтаж отопления
Живя в собственном доме, не всегда есть возможность подключиться к системе газоснабжения по разным на то причинам, а отапливать помещение как-то необходимо.
Использование каминов и печей целесообразно лишь в качестве источника дополнительного или временного получения тепловой энергии при устройстве систем отопления
Рост цен на энергоносители значительно повлиял на популярность обустройства систем отопления с использованием электричества. Такой подход экономически
Если в местности, где расположен частный дом, нет магистральной ветки с газом, производят сборку системы с обогревом сжиженным газом. Для этой цели на
Установка обогрева с устройством паровых систем и сейчас остается востребованной. Система нормально работает с различными видами топлива – дровами, газом
Электронагреватели (аэрхендлеры). Ими оснащаются кондиционеры. Для нормального функционирования нужны тепловые насосы. Индукционные нагреватели работают
• газовые котельные • электрические • дизельные • твердотопливные • пиролизные. Наша компания обладает значительным опытом в монтаже и пуско-наладке котельных любого типа.
• Очистке топливного фильтра. • Очистке горелки от сажи. • При необходимости замене форсунки. • Очистке калорифера от сажи • Проверке (в случае необходимости
• При пониженном КПД становится заметным повышенный расход топлива. • Замечено усиленное образование сажи. • В помещение начал проникать газ, значительно
Плановый (периодический) ремонт котельного оборудования необходимо проводить точно в сроки, определенные сопроводительной документацией.
При выходе из строя секций или при образовании течи в ниппелях котел приходится разбирать. Чтобы заменить секцию, находящуюся в середине пакетов котла
Еще совсем недавно такие «блага цивилизации», как отопление дома или дачи были привилегией большей части городских жителей. На сегодняшний день большинству из нас подобных условий не
В качестве терморегуляторов наибольшее распространение получили термостатические регулировочные вентили, которые являются пропорциональными регуляторами
Качество центрального отопления и горячего водоснабжения во многих квартирах не устраивает людей, проживающих в них. При этом стоят эти услуги очень недёшево
Доверьте проектирование вашей отопительной системы «ООО ДИЗАЙН ПРЕСТИЖ» в Москве и области. Мы выполним эту работу за 1-2 недели, в зависимости от сложности
Комфортные условия проживания в загородном коттедже невозможно создать без качественной отопительной системы. Она должна быть достаточно эффективной и
Замена котла отопления и радиаторов Выезд для предварительной диагностики
Солнечное отопление дома – мифы и реальность Существенно сэкономить на потреблении энергоносителя в холодное время года для обогрева помещения или на использовании
Автономное отопление частного загородного дома, установка частного индивидуального отопления. Газовый котел для автономного отопления на даче





































